Home
Shop
Wishlist0

02-3665-8158

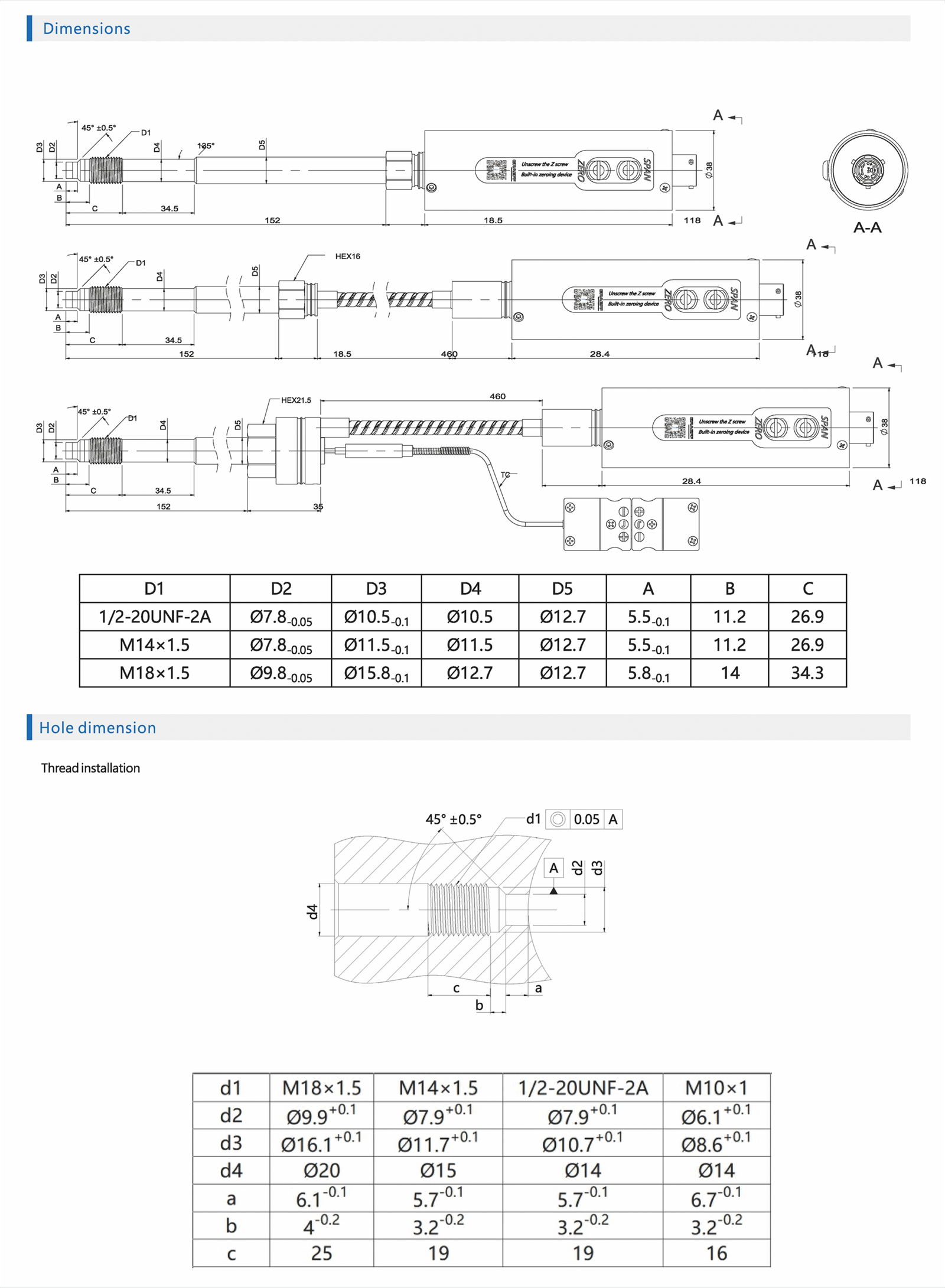
GAIM 시리즈 / AI 지능형 (제로 온도 드리프트) 용융 압력 센서/트랜스미터

기존 고온 용융 압력 송신기 및 압력 측정 프로브는 실온에서 고온으로 전환되는 과정에서 송신기 영점(zero point)이 고온의 영향을 받아 큰 영점 드리프트(zero point drift)가 발생합니다. 고온에서 압력을 측정할 때, 이 영점 드리프트 값은 측정값에 중첩되어 측정 편차를 크게 만듭니다.

이러한 문제를 해결하기 위해 GRAEFF는 GAIMX 시리즈 제품을 출시했습니다. GAIMX 시리즈 제품은 350°C에서 영점 드리프트를 보상하기 위한 온도 보상 기술을 채택하고 있습니다. 압력 측정 프로브가 고온에 노출될 때, 이 제품은 거의 제로에 가까운 온도 드리프트를 구현하며, 여기에 스마트 4-20mA + Hart 프로토콜 회로를 통합하여 AIMX 시리즈 송신기 측정값을 더욱 정확하고 안정적으로 만듭니다.

Description

GAIM series AI intelligent (zero temperature drift) melt pressure sensor/transmitter

Main features:

Measuring range0…17.5bar..2000bar
The precision is better than±025%FSO
Relay output
Special circuit design,superanti-interference
Short connection automatic clearing or externaladj- ustmentoptional
Special diaphragm coating,resistance adhesiondiaphragmdamage tomelt cooling

 

 

 

Custom tab

Your custom content goes here. You can add the content for individual product

상품평

아직 상품평이 없습니다.

“GAIM 시리즈 / AI 지능형 (제로 온도 드리프트) 용융 압력 센서/트랜스미터”의 첫 상품평을 남겨주세요
Review now to get coupon!

이메일 주소는 공개되지 않습니다. 필수 필드는 *로 표시됩니다

Back to Top
Product has been added to your cart
Compare (0)